MP86933 Half-Bridge Driver
MPS's MP86933 half-bridge driver is a 16 V, intelli-phase solution, ideal for server and telecom applications where efficiency and small size are a premium
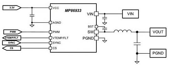
Monolithic Power Systems' MP86933 is a monolithic, half-bridge driver with built-in, internal power MOSFETs and gate drivers. The devices achieve 12 A of continuous output current over a wide input supply range and can operate from 100 kHz to 2 MHz. The integration of a driver and MOSFETs results in high efficiency due to an optimal dead time and parasitic inductance reduction. Additionally, it works with tri-state output controllers and comes with general-purpose current sense and temperature sense. The MP86933 is ideal for server and telecom applications where efficiency and small size are a premium. It is available in a small FC-TQFN-13 (3 mm x 3 mm) package.
- Wide operating input range: 4.5 V to 16 V
- Compliant with Intel® DrMOS V4.0 spec
- Output current: 12 A
- Accepts tri-state PWM signal
- Built-in switch for bootstrap
- Fault reporting: overcurrent and overtemperature
- Current sense
- Temperature sense
- Current-limit protection
- Overtemperature protection (OTP)
- Used for multi-phase operation
- Available in a TQFN-13 (3 mm x 3 mm) package
- Server and telecom voltage regulators
- Graphic card core regulators
- Power modules

